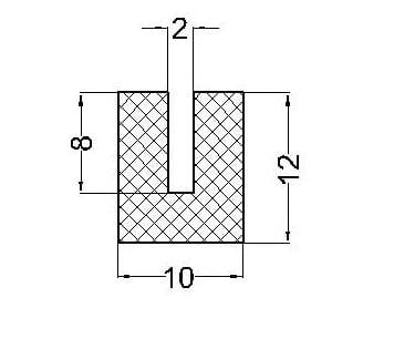
Acasă >Produse >Profilate >Cauciuc Compact >Garnituri profilate tip U >VLC 07-323
Profilate >Cauciuc Compact >Garnituri profilate tip U >VLC 07-323
Am citit și sunt de acord cu regulamentul de prelucrare a datelor cu caracter personal