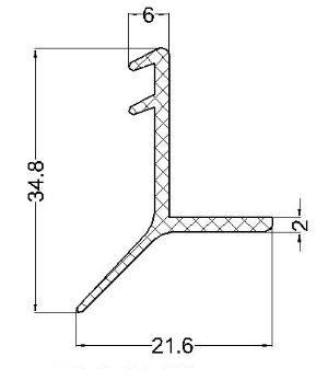
Home >Products >Profile >Compact Rubber >Profiled gaskets Various Applications>VLC 07-407
Profile >Compact Rubber >Profiled gaskets Various Applications>VLC 07-407
Am citit și sunt de acord cu regulamentul de prelucrare a datelor cu caracter personal